简易鱼缸充氧控制器
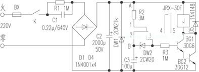
养鱼的鱼缸都需要充氧,但是市售充氧器多为连续工作,这样会缩短充氧器寿命,更不利于节能。实践证明:如果缸内鱼的密度不是太大,即使是在夏天也不必要一直充氧,可以采用间隔供氧。下面介绍的鱼缸充氧自动控制器可使充氧器间隔工作,该装置电路简单,一装即成。电路如图所示。
接通电源,DW1上的直流电压经电阻R2、继电器接点1、2对C3充电,当C3两端电压被充到约16V时,DW2击穿,BG1、BG2饱和导通,继电器吸合,接点4、5接通市电,充氧器开始工作。然后电容器C3上的电压通过接点2、3、R3放电,维持BG1、BG2导通,继电器J继续吸合,充氧器继续工作。
当C3两端电压下降到不能维持BG1、BG2导通时,BG1、BG2很快退出饱和区而截止。继电器J释放,接点4、5间断开,充氧器停止工作。接点1、2接通,又进行第二次充电。这样周而复始,达到间隔充氧的目的。
该电路中若将R2、R3改为几个固定电阻,并通过转换开关来更换电阻,就可改变充氧时间与间隔时间。
- 刊登此文只为传递信息,并不表示赞同或者反对作者观点。
- 如果此内容给您造成了负面影响或者损失,本站不承担任何责任。
- 如果内容涉及版权问题,请及时与我们取得联系。
上一篇:自制电源净化器
下一篇:小型立体声调频发射机电路

文章评论